Робота трансформатора сроится на перетворення струму від мережі з напругою 220 В. Пристрої діляться за кількістю фаз, а також показником перевантаження. На ринку представлені модифікації однофазного і двофазного типів. Параметр перевантаження струму коливається від 3 до 10 А. При необхідності можна зробити електронний трансформатор своїми руками. Однак для цього в першу чергу важливо ознайомитися з пристроєм моделі.

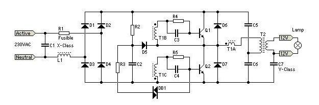
Схема моделі
Схема електронного трансформатора для галогенних ламп 12В передбачає використання пропускного реле. Безпосередньо обмотка застосовується з фільтром. Для підвищення тактової частоти в ланцюзі є конденсатори. Випускаються вони відкритого і закритого типу. У однофазних модифікацій використовуються випрямлячі. Зазначені елементи, необхідні для підвищення провідності струму.
В середньому чутливість у моделей дорівнює 10 мВ. За допомогою розширювачів вирішуються проблеми з перевантаженнями в мережі. Якщо розглядати двофазну модифікацію, то у неї використовується тиристор. Зазначений елемент, як правило, встановлюється з резисторами. Ємність їх в середньому дорівнює 15 пФ. Рівень провідності струму в даному випадку залежить від завантаженості реле.

Як зробити самостійно?
Зробити електронний трансформатор своїми руками можна легко. Для цього важливо використовувати проводове реле. Розширювач для нього доцільно підбирати імпульсного типу. Для збільшення параметру чутливості пристрою використовуються конденсатори. Багато фахівців рекомендують резистори встановлювати з ізоляторами.
Для вирішення проблем зі стрибками напруги припаюються фільтри. Якщо розглядати саморобну однофазну модель, то модулятор доцільніше підбирати на 20 Вт. Вихідний опір в ланцюзі трансформатора повинна складати 55 Ом. Безпосередньо для підключення пристрою припаюються вихідні контакти.
Пристрої з конденсаторним резистором
Схема електронного трансформатора для галогенних ламп 12В передбачає використання проводового реле. В даному випадку резистори встановлюються за обкладкою. Як правило, модулятори використовуються відкритого типу. Також схема електронного трансформатора для галогенних ламп 12В включає випрямлячі, які підбираються з фільтрами.
Для вирішення проблем з комутацією необхідні підсилювачі. Параметр вихідного опору в середньому становить 45 Ом. Провідність струму, як правило, не перевищує 10 мк. Якщо розглядати однофазну модифікацію, то у неї є тригер. Деякі фахівці для збільшення провідності використовують тригери. Проте в даному випадку значно підвищуються теплові втрати.

Трансформатори з регулятором
Трансформатор 220-12 з регулятором влаштований досить просто. Реле в даному випадку стандартно використовується дротяного типу. Безпосередньо регулятор встановлюється з модулятором. Для вирішення проблем із зворотною полярністю є кенотрон. Він може використовуватися з обкладкою або без неї.
Тригер в даному випадку під’єднується через провідники. Зазначені елементи здатні працювати тільки з імпульсними розширювачами. У середньому параметр провідності у трансформаторів даного типу не перевищує 12 мк. Також важливо відзначити, що показник від’ємного опору залежить від чутливості модулятора. Як правило, він не перевищує 45 Ом.

Використання дротяних стабілізаторів
Трансформатор 220-12 В з провідним стабілізатором зустрічається дуже рідко. Для нормальної роботи пристрою необхідно якісне реле. Показник від’ємного опору складає в середньому 50 Ом. Стабілізатор в даному випадку фіксується на модуляторі. Зазначений елемент в першу чергу призначений для зниження тактової частоти.
Теплові втрати при цьому у трансформатора незначні. Однак важливо відзначити, що на тригер чиниться великий тиск. Деякі експерти у сформованій ситуації рекомендують використовувати ємнісні фільтри. Продаються вони з провідником і без нього.
Моделі з діодним мостом
Трансформатор (12 Вольт) даного типу проводиться на базі селективних тригерів. Показник граничного опору у моделей в середньому дорівнює 35 Ом. Для вирішення проблем з пониженням частоти встановлюються трансивери. Безпосередньо діодні мости використовуються з різною провідністю. Якщо розглядати однофазні модифікації, то в цьому випадку резистори підбираються на дві обкладки. Показник провідності не перевищує 8 мк.
Тетроды у трансформаторів дозволяють значно підвищити чутливість реле. Модифікації з підсилювачами зустрічаються дуже рідко. Основною проблемою трансформаторів даного типу є негативна полярність. Виникає вона внаслідок підвищення температури реле. Щоб виправити ситуацію, багато експертів рекомендують використовувати тригери з провідниками.

Модель Taschibra
Схема електронного трансформатора для галогенних ламп 12В включає в себе тригер на дві обкладки. Реле у моделі використовується дротяного типу. Для вирішення проблем зі зниженою частотністю застосовуються розширювачі. Всього у моделі є три конденсатора. Таким чином, проблеми з перевантаженням в мережі виникають рідко. У середньому параметр вихідного опору тримається на рівні 50 Ом. Як стверджують фахівці, вихідна напруга на трансформаторі не повинно перевищувати 30 Вт. В середньому чутливість модулятора становить 5,5 мк. Проте в даному випадку важливо враховувати завантаженість розширювача.
Пристрій RET251C
Зазначений електронний трансформатор для ламп проводиться з вихідним перехідником. Розширювач у моделі є дипольного типу. Всього у пристрої встановлено три конденсатора. Резистор застосовується для вирішення проблем з негативною полярністю. Конденсатори у моделі перегріваються рідко. Безпосередньо модулятор під’єднується через резистор. Всього у моделі встановлені два тиристори. В першу чергу вони відповідають за параметр вихідного напруги. Також тиристори покликані забезпечувати стабільну роботу розширювача.

Трансформатор GET 03
Трансформатор (12 Вольт) зазначеної серії користується великою популярність. Всього у моделі є два резистора. Знаходяться вони поряд з модулятором. Якщо говорити про показники, то важливо зазначити, що частота модифікації дорівнює 55 Гц. Підключення пристрою здійснюється через вихідний перехідник.
Розширювач підібраний з ізолятором. З метою вирішення проблем з негативною полярністю використовуються два конденсатора. Регулятор у поданій модифікації відсутня. Показник провідності трансформатора становить 4,5 мк. Вихідна напруга коливається в районі 12 Ст.
Пристрій ELTR-70
Зазначений електронний трансформатор 12В включає в себе два прохідних тиристора. Відмінною особливістю модифікації вважається висока тактова частота. Таким чином, процес перетворення струму здійсняться без стрибків напруги. Розширювач у моделі використовується без обкладки.

Для зниження чутливості є тригер. Встановлений він стандартно селективного типу. Показник від’ємного опору становить 40 Ом. Для однофазної модифікації це вважається нормальним. Також важливо відзначити, що пристрої підключаються через вихідний перехідник.
Модель ELTR-60
Це трансформатор виділяє високою стабільністю напруги. Відноситься модель до однофазних пристроїв. Конденсатор у нього використовується з високою провідністю. Проблеми з негативною полярністю вирішуються за рахунок розширювача. Він встановлений за модулятором. Регулятор у поданій трансформаторі відсутня. Всього у моделі використовуються два резистора. Ємність у них становить 4,5 пФ. Якщо вірити фахівцям, то перегрів елементів спостерігається дуже рідко. Вихідна напруга на реле одно суворо 12 Ст.
Трансформатори TRA110
Зазначені трансформатори працюють від прохідного реле. Розширювачі у моделі використовуються різної ємності. В середньому показник вихідного опору трансформатора становить 40 Ом. Відноситься модель до двофазним модифікаціям. Показник граничної частоти у неї дорівнює 55 Гц. В даному випадку використовуються резистори дипольного типу. Всього у моделі є два конденсатора. Для стабілізації частоти під час роботи пристрою діє модулятор. Провідники у моделі припаяні з високою провідністю.





