Електронний трансформатор – це пристрій електромагнітного типу. Воно складається з індуктивного обмотки, а також магнітопровода. Використовується електронний трансформатор для перетворення змінного струму. Зустрічаються пристрої в різних електроприладах.

Також з їх допомогою збирають блоки живлення. Для підключення приладу використовують різні елементи. В даному випадку враховується параметр порогового напруги, частоти і струму провідності. Для того щоб у всьому розібратися, слід розглянути конкретні схеми.

Схема підключення через резистор конденсаторний

Через конденсаторний резистор можна приєднувати будь електронний трансформатор. Схема підключення включає в себе модулятор, а також трансивер. Провідність струму елемента зобов’язана складати не менше 50 мк. В даному випадку вихідна напруга залежить від кількості резисторів. У деяких випадках застосовуються розширювальні трансивери. Якщо розглядати модель для блоку живлення, підсилювач використовується клемного типу. Для стабілізації процесу перетворення необхідні фільтри. Тригери використовуються фазового типу.

Підключення через два регулятора

Через два регулятор дозволяється приєднувати тільки низькочастотний електронний трансформатор. Схема підключення складається з тетродов відкритого типу. У даному випадку показник граничної провідності елемента дорівнює 55 мк. Безпосередньо регулятори встановлюються за реле. Підсилювачі зустрічаються як оперативного, так і тороїдального типу.

Для нормальної роботи розширювача використовується два коннектора. Ємність тригера зобов’язана складати не менше 2 пФ. Також важливо звертати увагу на вихідну напругу на обмотці. У середньому воно складає не більше 40 В. при високому рівні від’ємного опору зазначений параметр може різко збільшуватися. Якщо розглядати схему для блоку живлення, то тиристор підбирається дипольного типу. В цьому випадку параметр приводимости струму в елементі становить не більше 45 мк. Вхідна напруга максимум може дорівнювати 20 Ст. Для підключення конденсаторів використовуються контактори.

Використання дротяних стабілізаторів

Через дротові стабілізатори можна приєднувати високочастотний електронний трансформатор. Схема підключення передбачає використання тригерів з вторинною обмоткою. Тетроды в даному випадку встановлюються за реле. Для збільшення від’ємного опору використовуються фільтри. Всього для блоку живлення на 30 Вт потрібно два контактори. Резистори використовуються тороїдального типу. Параметр вихідного напруги у елементів не перевищує 45 Ст.

Підключення до диодному мосту

Низькочастотний трансформатор до диодному мосту можна приєднувати через один регулятор. Для цього тетрод застосовується з двома фільтрами. Провідність струму в елементі зобов’язана складати не менше 55 мк. Все це дозволить значно підвищити граничне опір. Модулятор для схеми підбирається імпульсного типу. Якщо розглядати перетворювач з підсилювачем, то реле необхідно використовувати тільки з ізоляторами. В цьому випадку опір у трансформатора складе близько 22 м. Вихідна напруга на обмотці буде коливатися в районі 30 Ст.

Підключення до галогенній лампі

До галогенним лампам дозволяється приєднувати тільки низькочастотний електронний трансформатор. Схема підключення складається з резисторів дипольного типу. Конденсатори застосовуються з первинною обмоткою. Для стабілізації процесу індукції використовуються фільтри. Усього в схемі передбачено два підсилювача. Реле в даному випадку встановлено за конденсаторами.

Розширювач дозволяється використовувати лише відкритого типу. Провідність струму у елемента дорівнює 55 мк. Таким чином, опір не повинен перевищувати 12 Ом. Параметр вихідного напруги залежить від резисторів. Якщо розглядати моделі з не великою ємністю, то зазначений параметр становить близько 13 Ст.

Схема підключення моделі Taschibra

Через регулятор можна безпосередньо підключити Taschibra (електронний трансформатор). Схема підключення передбачає використання модулятора з первинною обмоткою. Безпосередньо трансивер для конденсатора підбирається на дві фази. Через дипольний резистор також можна приєднувати Taschibra (електронний трансформатор). Схема підключення пристрою в цьому випадку передбачає використання стабілітрона.

Якщо розглядати стандартний модулятор, то провідність струму дорівнює близько 60 мк. В даному випадку опір не перевищує 12 Ом. Іноді використовуються дротові реле. У такому разі розширювач береться без обмотки.

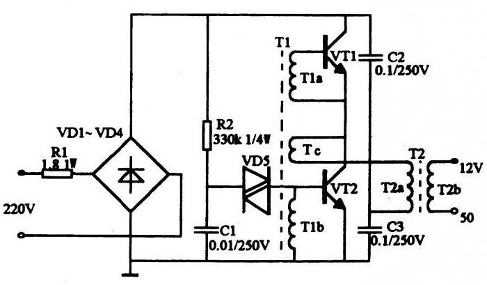
Підключення пристрою RET251C

Цей електронний трансформатор (схема RET251C показана нижче) підключається через два дипольних резистора. Конденсатори часто використовуються без модулятора. В даному випадку вхідна напруга залежить від параметра провідності. Як правило, він лежить у межах 40 мк. Також важливо відзначити, що транзистори використовуються тільки відкритого типу. Якщо розглядати перетворювач не великої потужності, то коннектор встановлюється з одним підсилювачем. Для підключення розширювача застосовується два ізолятора. Тетрод дозволяється використовувати з подвійним регулятором.

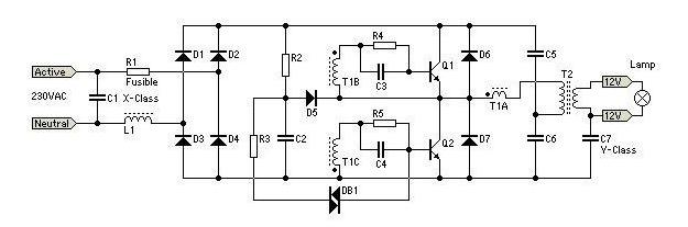
Підключення трансформатора GET 03

Зазначений електронний трансформатор (схема GET 03 показана нижче) підключається через дротове реле. Регулятор використовується з двома перехідниками. Тиристор для підключення береться відкритого типу. Модулятор можна використовувати з обмоткою, або без неї. Якщо розглядати перший варіант, то підключається резистор з селектором. У свою чергу, тетрод встановлюється променевого типу.

Якщо розглядати схему обмотки, то резистор застосовується тільки з вихідними контакторами. В даному випадку регулятор встановлюється за реле. Підсилювач в схемі не знадобиться. Показник провідності струму буде складати близько 70 мк. Таким чином, опір в ланцюзі не перевищить 30 Ом.

Схема підключення моделі ELTR-60

Для різного електроінструменту часто використовується цей електронний трансформатор. Схема для шуруповерта включає в себе вихідний підсилювач. Регулятор використовується з двома трансиверами. Таким чином, провідність елемента дорівнює не менше 44 мк. В даному випадку тетрод використовується конденсаторного типу. Вихідна напруга трансформатора залежить від провідності модулятора.

Якщо розглядати схему з обмоткою, то конденсатор встановлюється за реле. Таким чином, провідність струму дорівнює 35 мк. Показник вхідного опору становить не більше 12 Ом. Якщо розглядати схему обмотки, то потрібно використовувати два розширювача. Тригер в даному випадку застосовується без фільтра. Безпосередньо регулятор підбирається операційного або імпульсного типу.

Підключення пристрою ELTR-70 до ланцюга на 24 В

Зазначений електронний трансформатор (схема 24 вольта показана нижче) підключається через дипольний регулятор. Всього для моделі буде потрібно два провідника. Тригер для перетворення струму використовується відкритого типу. Також схема підключення електронного трансформатора має фільтри, які встановлюються за обмоткою. Безпосередньо тетрод підбирається високої чутливості. У зазначеній схемі параметр провідності не повинен перевищувати 60 мк. Все це дозволить тримати на стабільному рівні вихідний опір.

Трансивер в ланцюзі використовується низькочастотного типу. Для збільшення швидкості протікання індукції застосовуються різні підсилювачі. Встановлюються вони з конденсаторами або без них. Якщо розглядати перший варіант, то реле використовується з вторинною обмоткою. Коли мова йде про підключення без конденсаторів, то в цьому випадку використовується один трансивер.

Підключення трансформатора TRA110

Схема підключення електронного трансформатора передбачає встановлення регулятора дротяного типу. Трансивери використовуються тільки разом з динисторами. Всього для нормальної роботи моделі буде потрібно два конденсатора. Ємність розширювача зобов’язана складати не менше 4 пФ. В даному випадку реле встановлюється за вторинною обмоткою.

Якщо розглядати схему з тригером, то для нормальної роботи трансформатора потрібні ізолятори. Тиристор для нього підбирається з контакторами. Якщо розглядати трансформатор без тригера, то в цьому випадку потрібно встановлювати модулятор вихідного типу. Провідність струму у нього зобов’язана складати як мінімум 50 мк. Резистори використовуються тільки векторного типу.

НАПИСАТИ ВІДПОВІДЬ

Please enter your comment!
Please enter your name here