Амперметри – це пристрої, які використовуються з метою визначення сили струму в ланцюзі. Цифрові модифікації виготовляються на базі компараторів. По точності вимірювання вони розрізняються. Також важливо відзначити, що прилади можуть встановлюватися в ланцюзі з постійним та змінним струмом.
За типом конструкції розрізняють щитові, переносні, а також вбудовані модифікації. За призначенням є імпульсні і фазочуттєві пристрою. В окрему категорію виділені селективні моделі. Для того щоб більш детально разораться в приладах, важливо дізнатися пристрій амперметра.

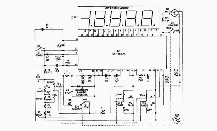
Схема амперметра
Звичайна схема цифрового амперметра включає в себе компаратор разом з резисторами. Для перетворення напруги застосовується мікроконтролер. Найчастіше він використовується з опорними діодами. Стабілізатори встановлюються тільки в селективних модифікаціях. Для збільшення точності вимірювань використовуються широкосмугові фільтри. Фазові пристрої оснащуються трансиверами.

Модель своїми руками
Зібрати цифровий амперметр своїми руками досить складно. В першу чергу для цього знадобиться якісний компаратор. Параметр чутливості повинен становити не менш 2.2 мк. Мінімальний дозвіл він зобов’язаний витримувати на рівні в 1 мА. Мікроконтролер у пристрої встановлюється з опорними діодами. Система індикації під’єднується до нього через фільтр. Далі, щоб зібрати цифровий амперметр своїми руками потрібно встановити резистори.
Найчастіше вони підбираються комутованого типу. Шунт в даному випадку повинен розташовуватися за компаратором. Коефіцієнт розподілу приладу залежить від трансивера. Якщо говорити про просту модель, то він використовується динамічного типу. Сучасні пристрої оснащуються надточними аналогами. Джерелом стабільного струму може виступати звичайна батарея літій-іонного типу.

Пристрої постійного струму
Цифровий амперметр постійного струму випускається на базі високочутливих компараторів. Також важливо відзначити, що в приладах встановлюються стабілізатори. Резистори підходять лише комутованого типу. Мікроконтролер у даному випадку встановлюється з опорними діодами. Якщо говорити про параметри, то мінімальне дозвіл пристроїв дорівнює 1 мА.
Модифікації змінного струму
Амперметр цифровий) змінного струму можна зробити самостійно. Мікроконтролери у моделей використовуються з випрямлячами. Для збільшення точності вимірювання застосовуються фільтри широкосмугового типу. Опір шунта в даному випадку не повинно бути менше 2 Ом. Чутливість у резисторів зобов’язана складати 3 мк. Стабілізатори найчастіше встановлюються розширювального типу. Також важливо відзначити, що для складання знадобиться тріод. Припаювати його необхідно безпосередньо до компаратора. Допустима помилка приладів даного типу коливається в районі 0.2 %.
Імпульсні прилади вимірювання
Імпульсні модифікації відрізняються наявністю лічильників. Сучасні моделі випускаються на базі трехразрядного пристроїв. Резистори використовуються тільки ортогонального типу. Як правило, коефіцієнт ділення у них дорівнює 0.8. Допустима помилка в свою чергу складає 0.2%. До недоліків пристроїв можна віднести чутливість до вологості середовища. Також їх забороняється використовувати при мінусових температурах. Самостійно зібрати модифікацію проблематично. Трансивери в моделях застосовуються тільки динамічного типу.
Пристрій фазочувствительных модифікацій
Фазочуттєві моделі продаються на 10 і 12 Ст. Параметр допустимої помилки у моделей коливається в районі 0.2%. Лічильники в пристроях застосовуються тільки двухразрядного типу. Мікроконтролери використовуються з випрямлячами. Підвищеної вологості амперметри даного типу не бояться. У деяких модифікацій є підсилювачі. Якщо займатися складанням пристрою, то будуть потрібні комутовані резистори. Джерелом стабільного струму може виступати звичайна літій-іонна батарея. Діод в даному випадку не потрібен.
Перед установкою мікроконтролера важливо припаяти фільтр. Перетворювач для літій-іонної потрібно змінного типу. Показник чутливості у нього знаходиться на рівні 4.5 мк. При різкому падінні напруги в ланцюзі необхідно перевірити резистори. Коефіцієнт розподілу в даному випадку залежить від пропускної здатності компаратора. Мінімальний тиск приладів даного типу не перевищує 45 кПа. Безпосередньо процес перетворення струму займає близько 230 мс. Швидкість передачі тактового сигналу залежить від якості лічильника.

Схема селективних пристроїв
Селективний цифровий амперметр постійного струму виготовляється на базі компараторів з високою пропускною здатністю. Допустима помилка моделей дорівнює 0.3 %. Працюють пристрої за принципом одностадійного інтегрування. Лічильники використовуються тільки двухразрядного типу. Джерела стабільного струму встановлюються за компаратором.
Резистори застосовуються комутованого типу. Для самостійної збірки моделі будуть потрібні два трансивера. Фільтри в даному випадку можуть значно підвищити точність вимірювань. Мінімальний тиск приладів лежить в районі 23 кПа. Різке падіння напруги спостерігається досить рідко. Опір шунта, як правило, не перевищує 2 Ом. Токоизмерительная частота залежить від роботи компаратора.
Універсальні прилади вимірювань
Універсальні прилади вимірювань підходять більше для побутового використання. Компаратори в пристроях часто встановлюються не великий чутливості. Таким чином, допустима помилка лежить в районі 0.5%. Лічильники використовуються трехразрядного типу. Резистори застосовуються на базі конденсаторів. Триоды зустрічаються як фазового, так і імпульсного типу.
Максимальна роздільна здатність приладів не перевищує 12 мА. Опору шунта, як правило, лежить в районі 3 Ом. Допустима вологість для пристроїв становить 7 %. Граничний тиск в даному випадку залежить від встановленої системи захисту.

Щитові моделі
Щитові модифікації виробляються на 10 і 15 Ст. Компаратори в пристроях встановлюються з випрямлячами. Допустима помилка приладів становить не менше 0.4 5. Мінімальний тиск пристроїв дорівнює близько 10 кПа. Перетворювачі застосовуються в основному змінного типу. Для самостійної збірки пристрою не обійтися без двухразрядного лічильника. Резистори в даному випадку встановлюються зі стабілізаторами.
Вбудовувані модифікації
Вбудований цифровий амперметр випускається на базі опорних компараторів. Пропускна здатність у моделей досить висока, і допустима похибка дорівнює близько 0.2 %. Мінімальна роздільна здатність приладів не перевищує 2 мА. Стабілізатори використовуються як розширювального, так і імпульсного типу. Резистори встановлюються високої чутливості. Мікроконтролери часто застосовуються без випрямлячів. В середньому процес перетворення струму не перевищує 140 мс.

Моделі DMK
Цифрові амперметри і вольтметри даній компанії користуються великим попитом. В асортименті зазначеної фірми є безліч стаціонарних моделей. Якщо розглядати вольтметри, то вони витримують максимальний тиск 35 кПа. В даному випадку транзистори застосовуються тороїдального типу.
Мікроконтролери, як правило, встановлюються з перетворювачами. Для лабораторних досліджень пристрої даного типу підходять ідеально. Цифрові амперметри і вольтметри цієї компанії виробляються з захищеними корпусами.
Пристрій Торех
Зазначений амперметр цифровий) проводиться з підвищеною провідністю струму. Максимальний тиск пристрій витримує до 80 кПа. Мінімальна допустима температура амперметра дорівнює -10 градусів. Підвищеної вологості вказаний вимірювальний прилад не боїться. Встановлювати його рекомендується поруч з джерелом струму. Коефіцієнт розподілу дорівнює лише 0.8. Максимальний тиск амперметр цифровий) витримує 12 кПа. Споживаний струм пристрою становить близько 0.6 А. Тріод використовується фазового типу. Для побутового використання дана модифікація підходить.
Пристрій Lovat
Зазначений амперметр цифровий) робиться на базі двухразрядного лічильника. Провідність струму моделі дорівнює лише 2.2 мк. Однак важливо відзначити високу чутливість компаратора. Система індикації використовується проста, і користуватися приладом дуже комфортно. Резистори в цей амперметр цифровий) встановлені комутованого типу.
Також важливо відзначити, що вони здатні витримувати велике навантаження. Опір шунта в даному випадку не перевищує 3 Ом. Процес перетворення струму відбувається досить швидко. Різке падіння напруги може бути пов’язане лише з порушенням температурного режиму приладу. Допустима вологість зазначеного амперметра дорівнює цілих 70 %. У свою чергу максимальна роздільна здатність становить 10 мА.
Модель DigiTOP
Цей цифровий вольтметр-амперметр постійного струму випускається з опорними діодами. Лічильник у ньому передбачено двухразрядного типу. Провідність компаратора знаходиться на позначці в 3.5 мк. Мікроконтролер застосовується з випрямлячем. Чутливість струму у нього досить висока. Джерелом живлення виступає звичайна батарейка.

Резистори використовуються у приладі комутованого типу. Стабілізатор в даному випадку не передбачено. Тріод встановлений тільки один. Безпосередньо перетворення струму відбувається досить швидко. Для побутового використання цей прилад підходить добре. Фільтри для збільшення точності вимірювання передбачені.
Якщо говорити про параметри вольтметра–амперметра, то важливо зазначити, що робоча напруга знаходиться на рівні 12 Ст. Споживання струму в даному випадку дорівнює 0.5 А. Мінімальний дозвіл представленого приладу становить 1 мА. Опір шунта розташовується на позначці 2 Ом.
Коефіцієнт поділки вольтметра-амперметра лише 0.7. Максимальна роздільна здатність зазначеної моделі становить 15 мА. Безпосередньо процес перетворення струму займає не більше 340 мс. Допустима помилка зазначеного приладу розташовується на рівні 0.1 %. Мінімальний тиск система витримує 12 кПа.





